Advantech SKY-MXM-A1000 handleiding
Handleiding
Je bekijkt pagina 16 van 22

SKY-MXM-A1000 User Manual 10
2.5 DisplayPort Interface
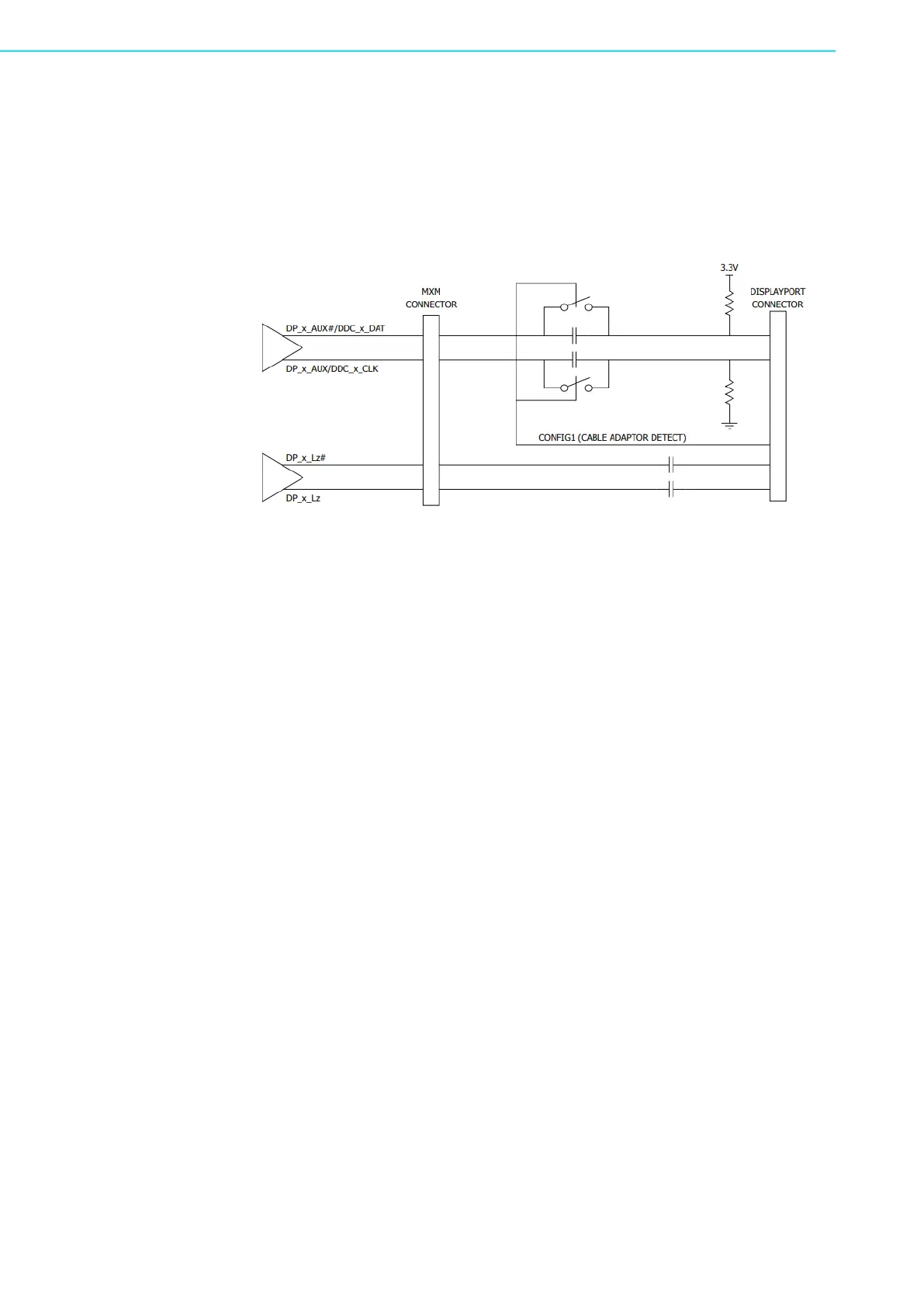
DisplayPort traces must be routed with the impedance specified by Table 2.4. DC
blocking capacitors must be placed on the system board. In addition, the MXM imple-
mentation of dual-mode DisplayPort requires the circuit in Figure 2.4 on the AUX
lines for proper dongle detection. The HPD signal conditioning must also be placed
on the system board.
Figure 2.4 Dual-Mode DisplayPort Implementation
Bekijk gratis de handleiding van Advantech SKY-MXM-A1000, stel vragen en lees de antwoorden op veelvoorkomende problemen, of gebruik onze assistent om sneller informatie in de handleiding te vinden of uitleg te krijgen over specifieke functies.
Productinformatie
Merk | Advantech |
Model | SKY-MXM-A1000 |
Categorie | Niet gecategoriseerd |
Taal | Nederlands |
Grootte | 1920 MB |