Advantech PCIE-1812 handleiding
Handleiding
Je bekijkt pagina 17 van 78

9 PCIE-1812 User Manual
Chapter 2 Installation Guide
2.3 Signal Connection and Pin Assignment
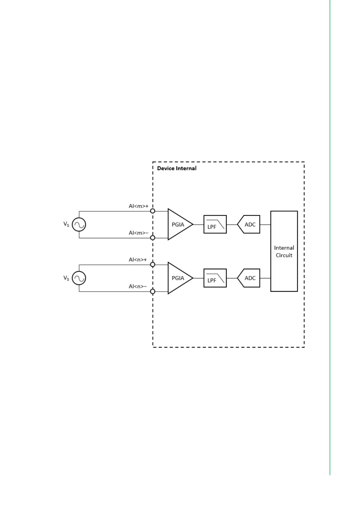
2.3.1 Analog Input Signal Connection
An analog input channel measures the voltage (VS) of the external source. The volt-
age difference between the positive terminal and the negative terminal is being mea-
sured.
The voltage is then amplified or attenuated by a programmable gain instrumentation
amplifier (PGIA), conditioned by a low-pass filter (LPF), and sampled and converted
into a digital form of data by an analog-to-digital converter (ADC). The ADC of every
channel samples the signal at the same time, and this architecture is thus called
simultaneous sampling.
Analog input signal connection and internal functional block diagram is shown in Fig-
ure 2. 1.
Figure 2.1 Analog input signal connection
Bekijk gratis de handleiding van Advantech PCIE-1812, stel vragen en lees de antwoorden op veelvoorkomende problemen, of gebruik onze assistent om sneller informatie in de handleiding te vinden of uitleg te krijgen over specifieke functies.
Productinformatie
Merk | Advantech |
Model | PCIE-1812 |
Categorie | Niet gecategoriseerd |
Taal | Nederlands |
Grootte | 8115 MB |