Advantech PCIE-1805 handleiding
Handleiding
Je bekijkt pagina 25 van 42

19 PCIE-1805 User Manual
Chapter 3 Signal Connections
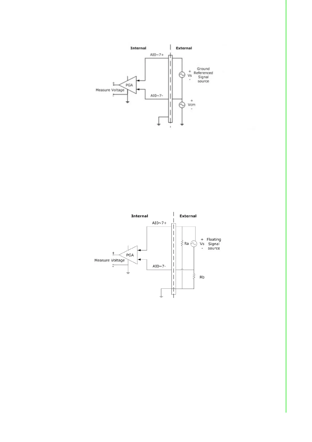
Figure 3.3 Differential Input Channel Connections
If a floating signal source is connected to the differential input channel, the signal
source might exceed the common-mode signal range of the PGIA, and the PGIA will
be saturated with erroneous voltage-readings. You must therefore reference the sig-
nal source against the AGND.
Figure 3-4 shows a differential channel connection between a floating signal source
and an input channel on the PCIE-1805. In this figure, each side of the floating signal
source is connected through a resistor to the AGND. This connection can reject the
common-mode voltage between the signal source and the PCIE-1805 ground
Figure 3.4 Differential Input Channel Connection - Floating Signal Source
Bekijk gratis de handleiding van Advantech PCIE-1805, stel vragen en lees de antwoorden op veelvoorkomende problemen, of gebruik onze assistent om sneller informatie in de handleiding te vinden of uitleg te krijgen over specifieke functies.
Productinformatie
Merk | Advantech |
Model | PCIE-1805 |
Categorie | Niet gecategoriseerd |
Taal | Nederlands |
Grootte | 3945 MB |