Advantech PCIE-1802 handleiding
Handleiding
Je bekijkt pagina 24 van 44

PCIE-1802 User Manual 18
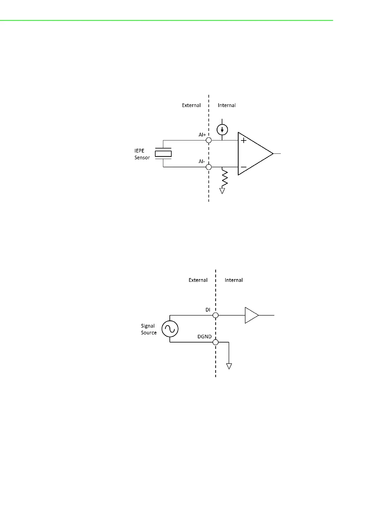
3.3.2.3 IEPE for Input
For applications that require sensors such as microphones or accelerometers, the
PCIE-1802 provides an excitation current source to excite IEPE sensors. A DC volt-
age offset is generated due to the excitation current and sensor impedance. When
IEPE current sources are enabled, the PCIE-1802 automatically sets input configura-
tion to AC coupling and pseudo-differential.
Figure 3.5 AI IEPE Sensor Input Signal Connection
3.3.3 Digital Input/Output Connections
PCIE-1802 provides 2 Channels DO and 1 channel DI.
3.3.3.1 Digital Input Channel Connections
Figure 3.6 Digital Input Channel Connections
Bekijk gratis de handleiding van Advantech PCIE-1802, stel vragen en lees de antwoorden op veelvoorkomende problemen, of gebruik onze assistent om sneller informatie in de handleiding te vinden of uitleg te krijgen over specifieke functies.
Productinformatie
Merk | Advantech |
Model | PCIE-1802 |
Categorie | Niet gecategoriseerd |
Taal | Nederlands |
Grootte | 4073 MB |