Advantech PCIE-1760 handleiding
Handleiding
Je bekijkt pagina 17 van 34

11 PCIE-1760 User Manual
Chapter 2 Installation and Field Applications
2.1.3 Counter Signal Connection
Counter Input Connection:
Please refer to “2.1.1 Isolated Digital Input Signal Connection”.
Counter Output Connection:
The type of counter output signal can be TTL or sink, which is selected by an
onboard jumper.
When configured as TTL type output, the signal is sent through a galvanic isolator
and a logic gate. A voltage logic level is generated between the counter output and
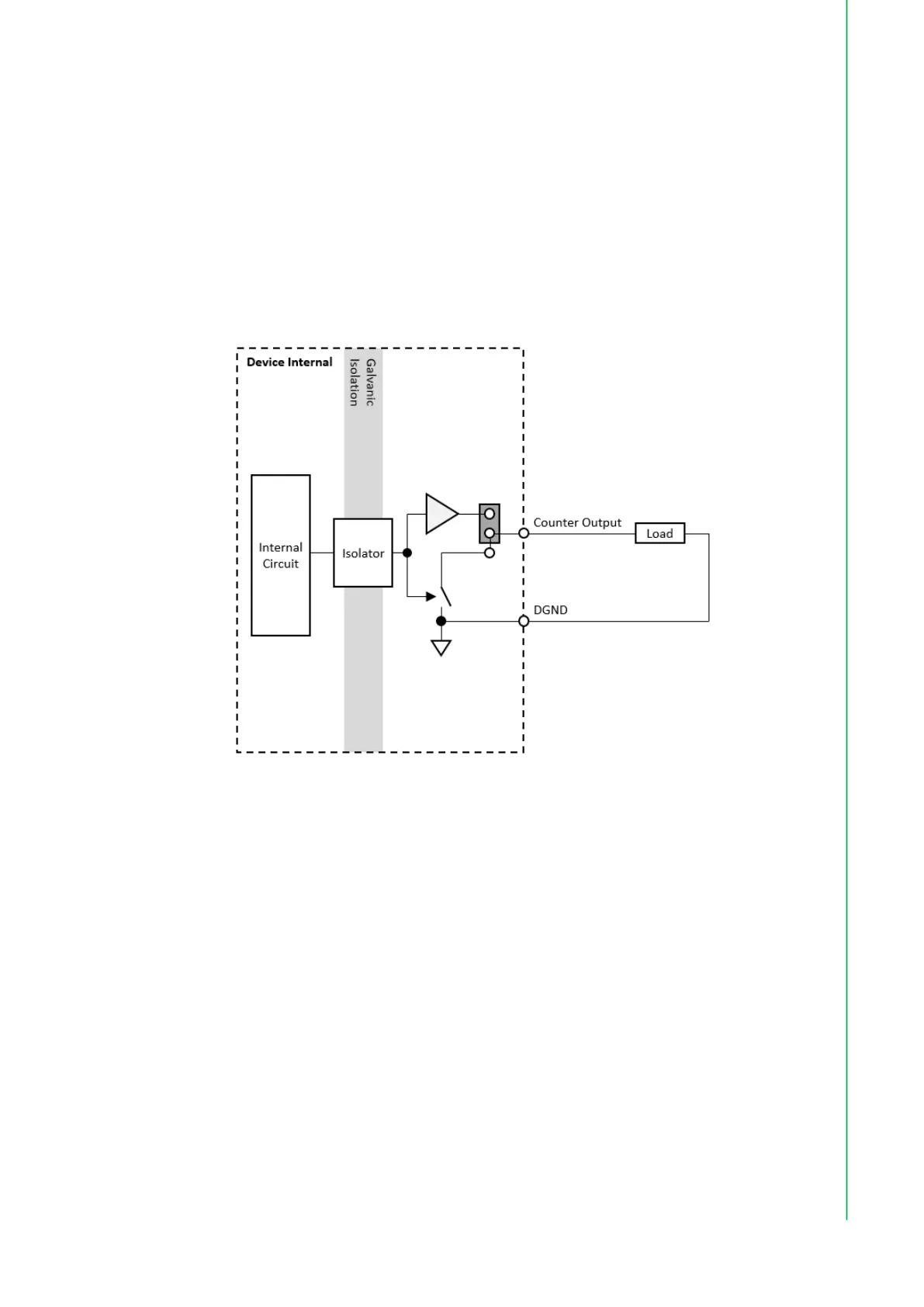
the digital ground (DGND) terminal. This is shown in Figure 2.5.
Figure 2.5 TTL type counter output signal connection
When configured as sink type output, the signal is sent through a galvanic isolator to
control the ON/OFF state of a switch. The state of the switch then decides if the load
is conducting or not. The device supports sink (NPN) type configuration for counter
output signal connection. This is shown in Figure 2.6.
Bekijk gratis de handleiding van Advantech PCIE-1760, stel vragen en lees de antwoorden op veelvoorkomende problemen, of gebruik onze assistent om sneller informatie in de handleiding te vinden of uitleg te krijgen over specifieke functies.
Productinformatie
Merk | Advantech |
Model | PCIE-1760 |
Categorie | Niet gecategoriseerd |
Taal | Nederlands |
Grootte | 2552 MB |
Caratteristiche Prodotto
Connectiviteitstechnologie | Bedraad |
Intern | Ja |
Hostinterface | PCI-E |
Output interface | PCIe |