Advantech PCIE-1730 handleiding
Handleiding
Je bekijkt pagina 21 van 30

13 PCIE-1730/1730H User Manual
Chapter 3 Signal Connections
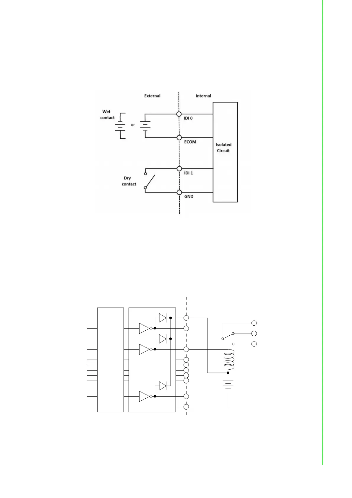
Isolated Digital Input
Each isolated digital input channel accepts bi-directional 10~30V voltage inputs
means that user can apply positive or negative voltage to any input pin. Every eight
input channels share one external common. (Channels 0 ~ 7 use ECOM0. Channels
8 ~ 15 use ECOM1.) Figure 3.4 shows how to connect an external input source to the
card's isolated inputs.
Figure 3.4 Isolated DI Connection
Isolated Digital Output
If the external voltage source (5 ~ 40 V) is connected to each isolated output channel
(IDO) and its isolated digital output turns on (500 mA max./channel), the card's cur-
rent will sink from the external voltage source. CN5 provides two EGND pins for IDO
connection. Figure 3.5 shows how to connect an external output load to the card's
isolated outputs.
Figure 3.5 Isolated Digital Output Connection
Internal External
IDO0
IDO1
IDO2
IDO3
IDO4
IDO5
IDO6
IDO7
EGND
Isolated
Circuit
PCOM
Relay
NO
NC
Common
Diode
VDD
5~40V
Bekijk gratis de handleiding van Advantech PCIE-1730, stel vragen en lees de antwoorden op veelvoorkomende problemen, of gebruik onze assistent om sneller informatie in de handleiding te vinden of uitleg te krijgen over specifieke functies.
Productinformatie
Merk | Advantech |
Model | PCIE-1730 |
Categorie | Niet gecategoriseerd |
Taal | Nederlands |
Grootte | 1915 MB |