Advantech PCI-1780U handleiding
Handleiding
Je bekijkt pagina 19 van 40

13 PCI-1780U User Manual
Chapter 2 Installation Guide
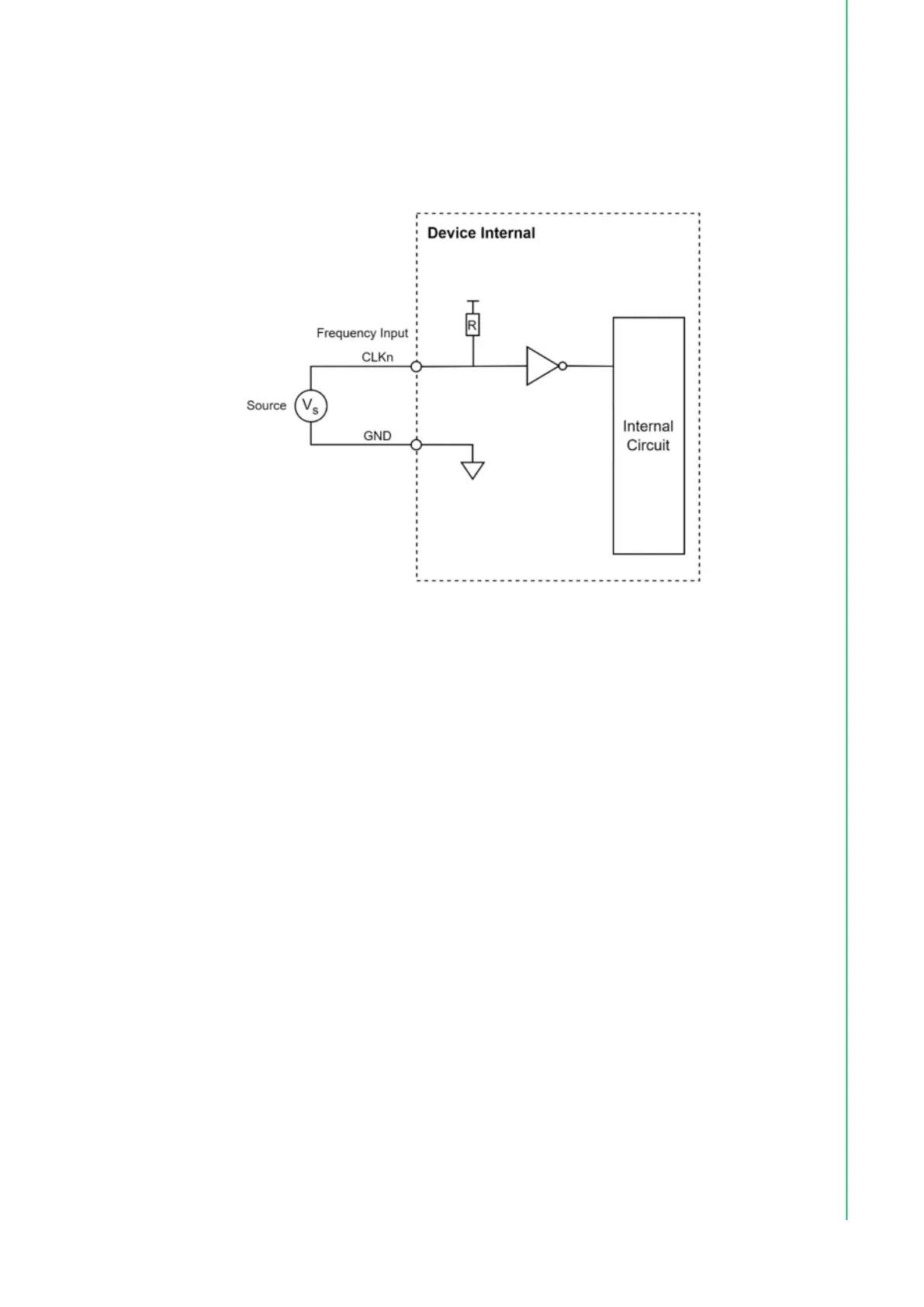
2.3.6 Frequency Measurement
In frequency measurement mode, the frequency of the counter clock signal is mea-
sured by one of the two measuring methods: Period inversion or counting number of
pulses in fixed duration.
Figure 2.7 Frequency measurement signal connection.
Bekijk gratis de handleiding van Advantech PCI-1780U, stel vragen en lees de antwoorden op veelvoorkomende problemen, of gebruik onze assistent om sneller informatie in de handleiding te vinden of uitleg te krijgen over specifieke functies.
Productinformatie
Merk | Advantech |
Model | PCI-1780U |
Categorie | Niet gecategoriseerd |
Taal | Nederlands |
Grootte | 4254 MB |