Advantech PCI-1716-BE handleiding
Handleiding
Je bekijkt pagina 34 van 60

PCI-1716_Series User Manual 26
Figure 3.6 Power-on glitch remover of the analog output.
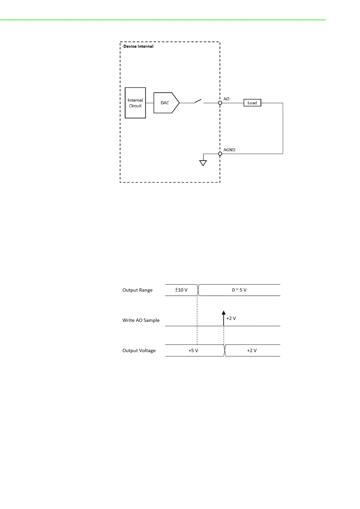
3.2.3 Output Status When Changing Range
When analog output range changes, the DAC setting remains unchanged, and so
does the output voltage. The DAC will be updated to the new output range only when
a new output value is written. For example, if an analog output channel is at +5 V of
±10 V range, after changing to 0 V to 5 V range, the output voltage still remains at +5
V. If a new output value of +2 V is written, DAC will be updated to 0 V to 5 V range
and output voltage will be updated to +2 V at the same time. This is shown in Figure
3.7.
Figure 3.7 Output status when changing range.
3.2.4 Analog Output Data Generation Methods
The device supports both static (software-timed) analog output update and buffered
(hardware-timed) analog output generation.
3.2.4.1 Static (Software-Timed) Analog Output Update
With static update, the software controls the rate and time of date, which is thus also
called software-timed update. Whenever the software sends a write command, the
value of analog output channel is updated as shown in Figure 3.8.
Bekijk gratis de handleiding van Advantech PCI-1716-BE, stel vragen en lees de antwoorden op veelvoorkomende problemen, of gebruik onze assistent om sneller informatie in de handleiding te vinden of uitleg te krijgen over specifieke functies.
Productinformatie
Merk | Advantech |
Model | PCI-1716-BE |
Categorie | Niet gecategoriseerd |
Taal | Nederlands |
Grootte | 5374 MB |