Advantech PCI-1203-06AE handleiding

24 pagina's
PDF beschikbaar

Handleiding

Je bekijkt pagina 22 van 24
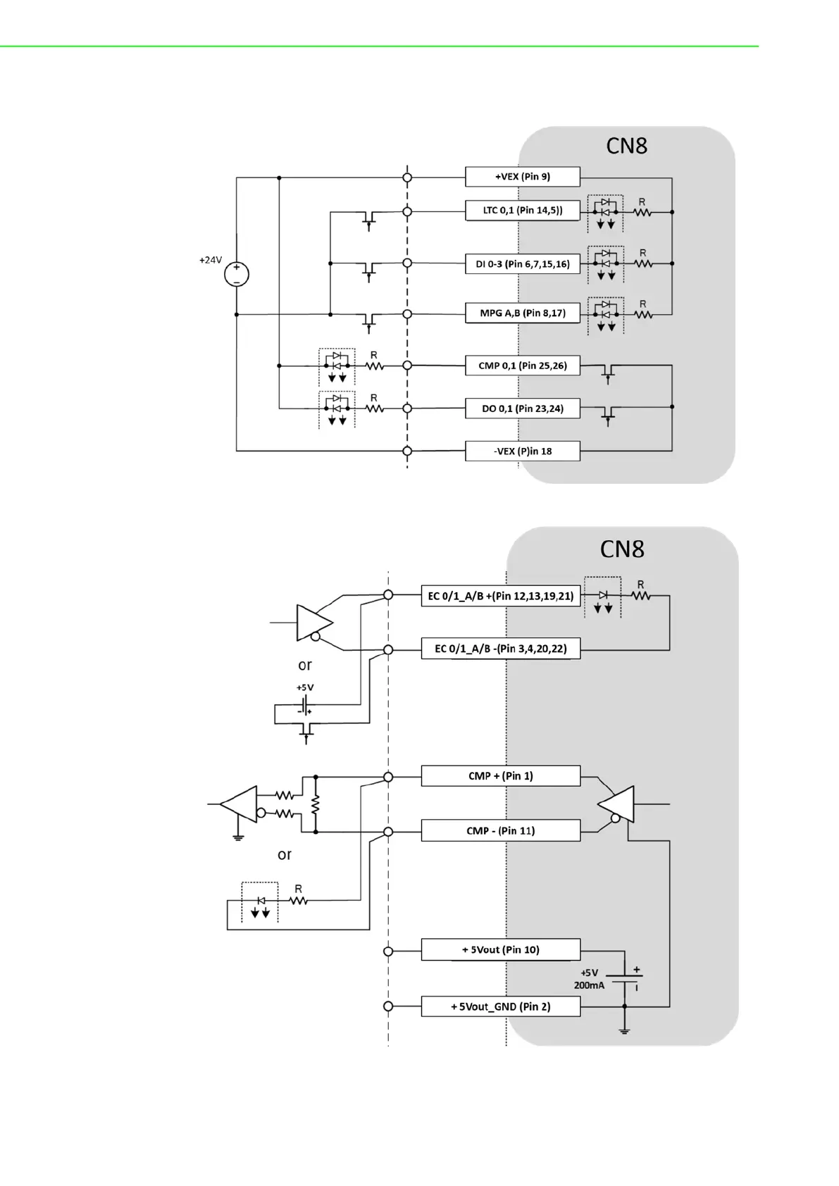
PCIE-1203 User Manual 16
3.4.1 Wiring

Bekijk gratis de handleiding van Advantech PCI-1203-06AE, stel vragen en lees de antwoorden op veelvoorkomende problemen, of gebruik onze assistent om sneller informatie in de handleiding te vinden of uitleg te krijgen over specifieke functies.

Productinformatie

MerkAdvantech
ModelPCI-1203-06AE
CategorieNiet gecategoriseerd
TaalNederlands
Grootte2325 MB