Advantech MIO-5850 handleiding

82 pagina's
PDF beschikbaar

Handleiding

Je bekijkt pagina 13 van 82
5 MIO-5850 User Manual
Chapter 1 General Information
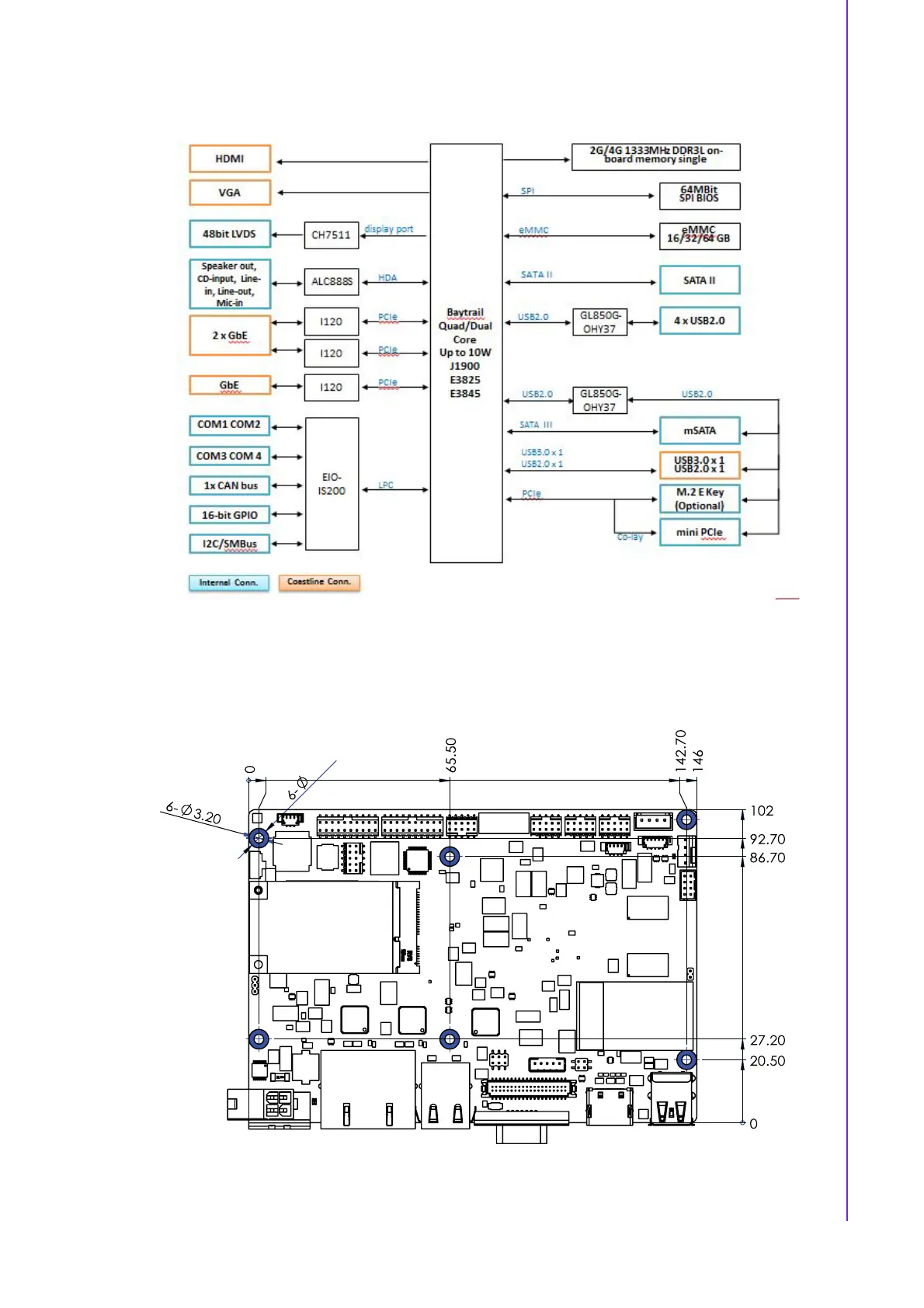
1.3 Block Diagram
1.4 Board Layout: Dimensions
Figure 1.1 MIO-5850 Mechanical Drawing (Top Side)

Bekijk gratis de handleiding van Advantech MIO-5850, stel vragen en lees de antwoorden op veelvoorkomende problemen, of gebruik onze assistent om sneller informatie in de handleiding te vinden of uitleg te krijgen over specifieke functies.

Productinformatie

MerkAdvantech
ModelMIO-5850
CategorieNiet gecategoriseerd
TaalNederlands
Grootte11608 MB