Advantech iDAQ-817 handleiding
Handleiding
Je bekijkt pagina 17 van 36

7 iDAQ-817_821 User Manual
Chapter 2 Installation Guide
2.3 Signal Connection and Pin Assignment
2.3.1 Analog Input Connection
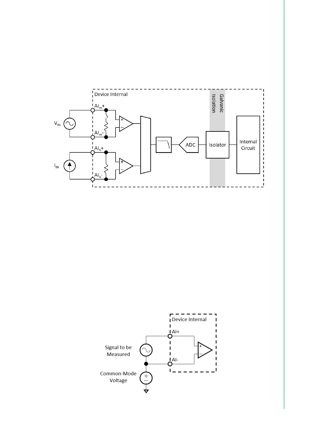
An analog input channel measures the voltage or current of the external sensor or
source, converts the value into a digital form of data by an analog-to-digital converter
(ADC), and passes it through a galvanic isolator to the internal circuit. Figure 2.2
shows the analog input signal connection.
Figure 2.2 Analog input signal connection.
The analog input channels accept differential type signals, hence the external sen-
sors or sources should be connected to both the positive and the negative analog
input terminals.
Each channel can be configured independently by software to measure voltage or
current. When measuring a current, a precision resistor is connected between both
input terminals to convert the current value into a voltage value. When measuring a
voltage, on the other hand, the precision resistor is disconnected.
Every channel is equipped with a high common-mode voltage amplifier that can with-
stand high common-mode input voltage as shown in Figure 2.3. This is quite suitable
for applications which measure voltages with high common-mode such as battery
cell voltage monitoring, high-voltage current sensing, or power-supply current moni-
toring. For other analog input measurement devices without this feature, the device
will be damaged by the high common-mode input voltage. Refer to Appendix A Spec-
ifications for the maximum common-mode voltage value the device can accept.
Figure 2.3 Common-mode input voltage.
Bekijk gratis de handleiding van Advantech iDAQ-817, stel vragen en lees de antwoorden op veelvoorkomende problemen, of gebruik onze assistent om sneller informatie in de handleiding te vinden of uitleg te krijgen over specifieke functies.
Productinformatie
Merk | Advantech |
Model | iDAQ-817 |
Categorie | Niet gecategoriseerd |
Taal | Nederlands |
Grootte | 2721 MB |