Advantech BB-SR31019420 handleiding
Handleiding
Je bekijkt pagina 38 van 62

SmartFlex SR310
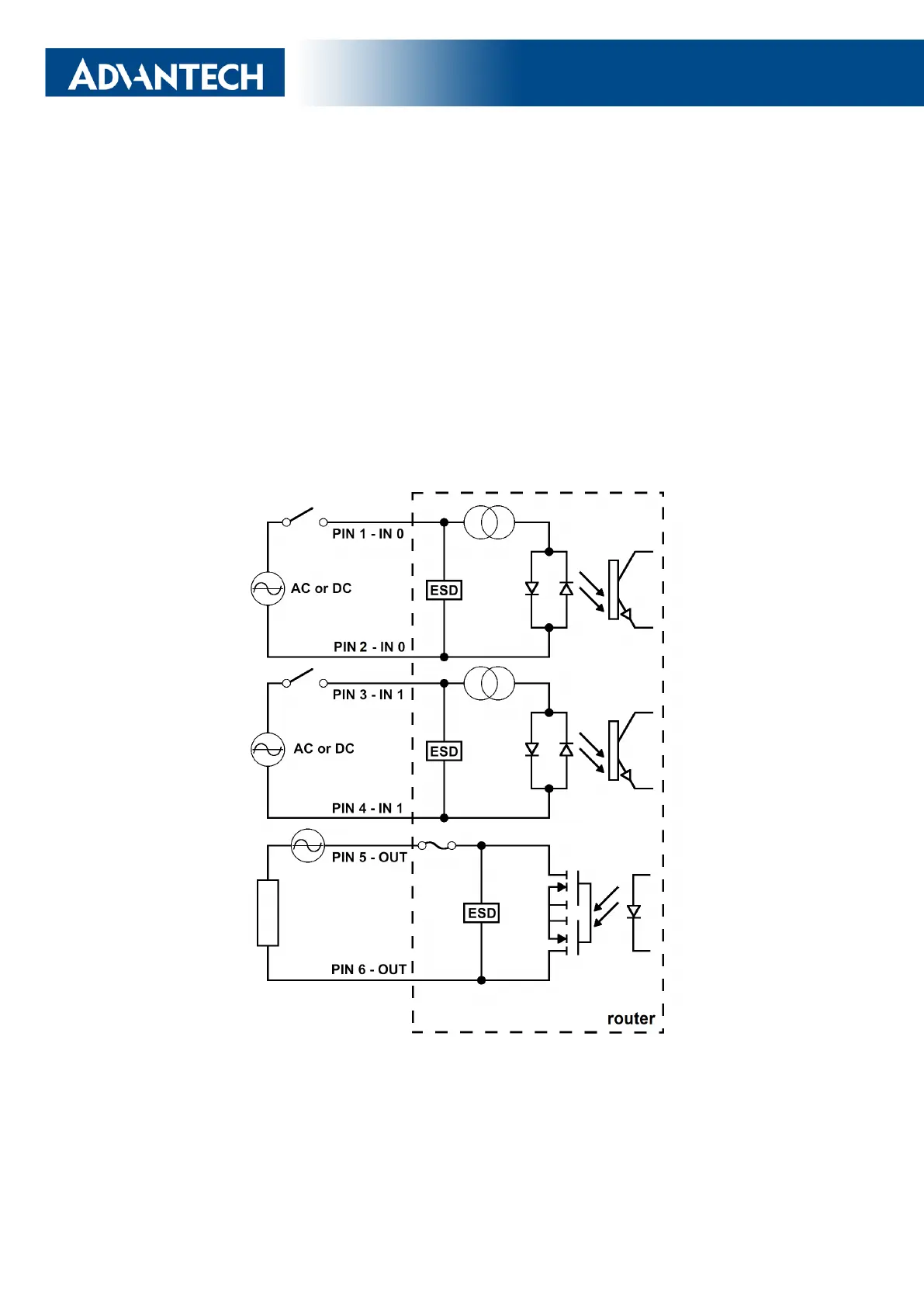
Binary output
• Binary output parameters:
– 60 V AC / 300 mA
– 60 V DC / 300 mA
• The current of the binary output is limited by a resettable fuse (300 mA).
Binary inputs and output connections
Binary inputs and output connections example:
Figure 40: Binary connection
31
Bekijk gratis de handleiding van Advantech BB-SR31019420, stel vragen en lees de antwoorden op veelvoorkomende problemen, of gebruik onze assistent om sneller informatie in de handleiding te vinden of uitleg te krijgen over specifieke functies.
Productinformatie
Merk | Advantech |
Model | BB-SR31019420 |
Categorie | Niet gecategoriseerd |
Taal | Nederlands |
Grootte | 9523 MB |