Advantech AIIS-3400 handleiding

90 pagina's
PDF beschikbaar

Handleiding

Je bekijkt pagina 25 van 90
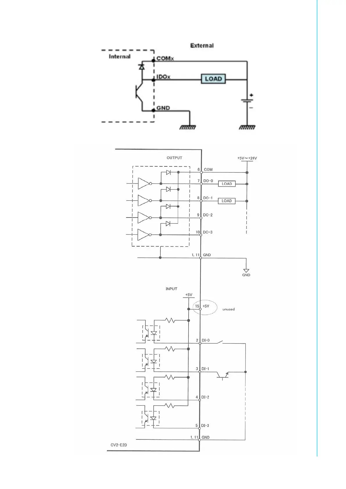
11 AIIS-3400/3410 User Manual
Chapter 2 Hardware Installation

Bekijk gratis de handleiding van Advantech AIIS-3400, stel vragen en lees de antwoorden op veelvoorkomende problemen, of gebruik onze assistent om sneller informatie in de handleiding te vinden of uitleg te krijgen over specifieke functies.

Productinformatie

MerkAdvantech
ModelAIIS-3400
CategorieNiet gecategoriseerd
TaalNederlands
Grootte9156 MB