Advantech AIIS-1882 handleiding
Handleiding
Je bekijkt pagina 19 van 40

9 AIIS-1882 User Manual
Chapter 2 Installation and Field Application
2.2 Signal Connection and Pin Assignment
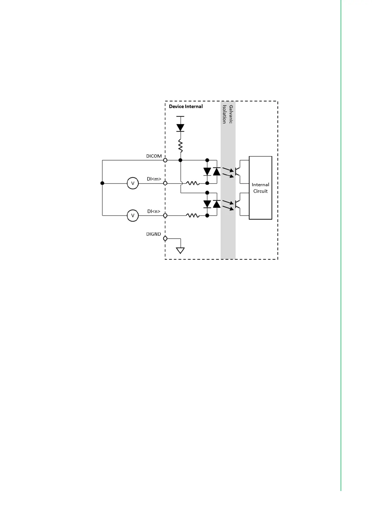
2.2.1 Isolated Digital Input and Trigger
The AIIS-1882 has 4 trigger inputs and 12 digital inputs. The digital inputs and trig-
gers only support “wet contact” inputs. In other words, the circuit needs to be pow-
ered (or "wet") for the device to detect an input signal.
Figure 2.5 Isolated digital input and trigger connection
2.2.2 Isolated Digital Output
The digital outputs of the AIIS-1882 are designed as sink-type and source-type,
switchable via software. See the connection diagram below:
- Sink type (NPN)
Bekijk gratis de handleiding van Advantech AIIS-1882, stel vragen en lees de antwoorden op veelvoorkomende problemen, of gebruik onze assistent om sneller informatie in de handleiding te vinden of uitleg te krijgen over specifieke functies.
Productinformatie
Merk | Advantech |
Model | AIIS-1882 |
Categorie | Niet gecategoriseerd |
Taal | Nederlands |
Grootte | 5165 MB |