Advantech ADAM-6117PN handleiding
Handleiding
Je bekijkt pagina 17 van 60

3 ADAM-6100PN Series User Manual
Chapter 2 Hardware Installation Guide
2.2 Mounting
ADAM-6100 modules are designed as compact units and are allowed to be installed
in the field site under the following methods.
2.2.1 Panel Mounting
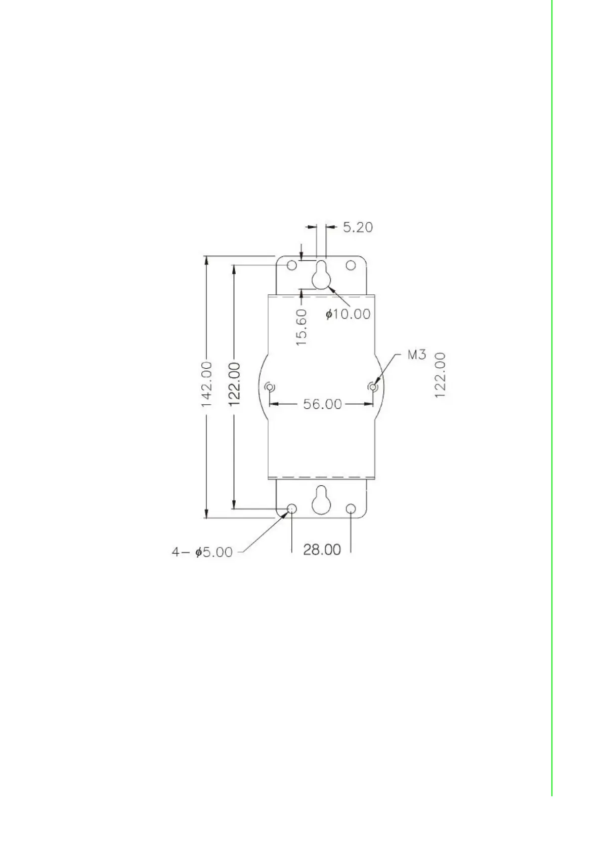
Each ADAM-6100 Module is packed with a plastic panel mounting bracket. Users
can refer the dimensions of the bracket to configure an optimal placement in a panel
or cabinet. Fix the bracket first, then, fix the ADAM-6100 module on the bracket.
Figure 2.1 Panel Mounting Dimensions
Bekijk gratis de handleiding van Advantech ADAM-6117PN, stel vragen en lees de antwoorden op veelvoorkomende problemen, of gebruik onze assistent om sneller informatie in de handleiding te vinden of uitleg te krijgen over specifieke functies.
Productinformatie
Merk | Advantech |
Model | ADAM-6117PN |
Categorie | Niet gecategoriseerd |
Taal | Nederlands |
Grootte | 7509 MB |