Advantech ADAM-5017P handleiding

96 pagina's
PDF beschikbaar

Handleiding

Je bekijkt pagina 45 van 96
37 ADAM-5000 Series User Manual
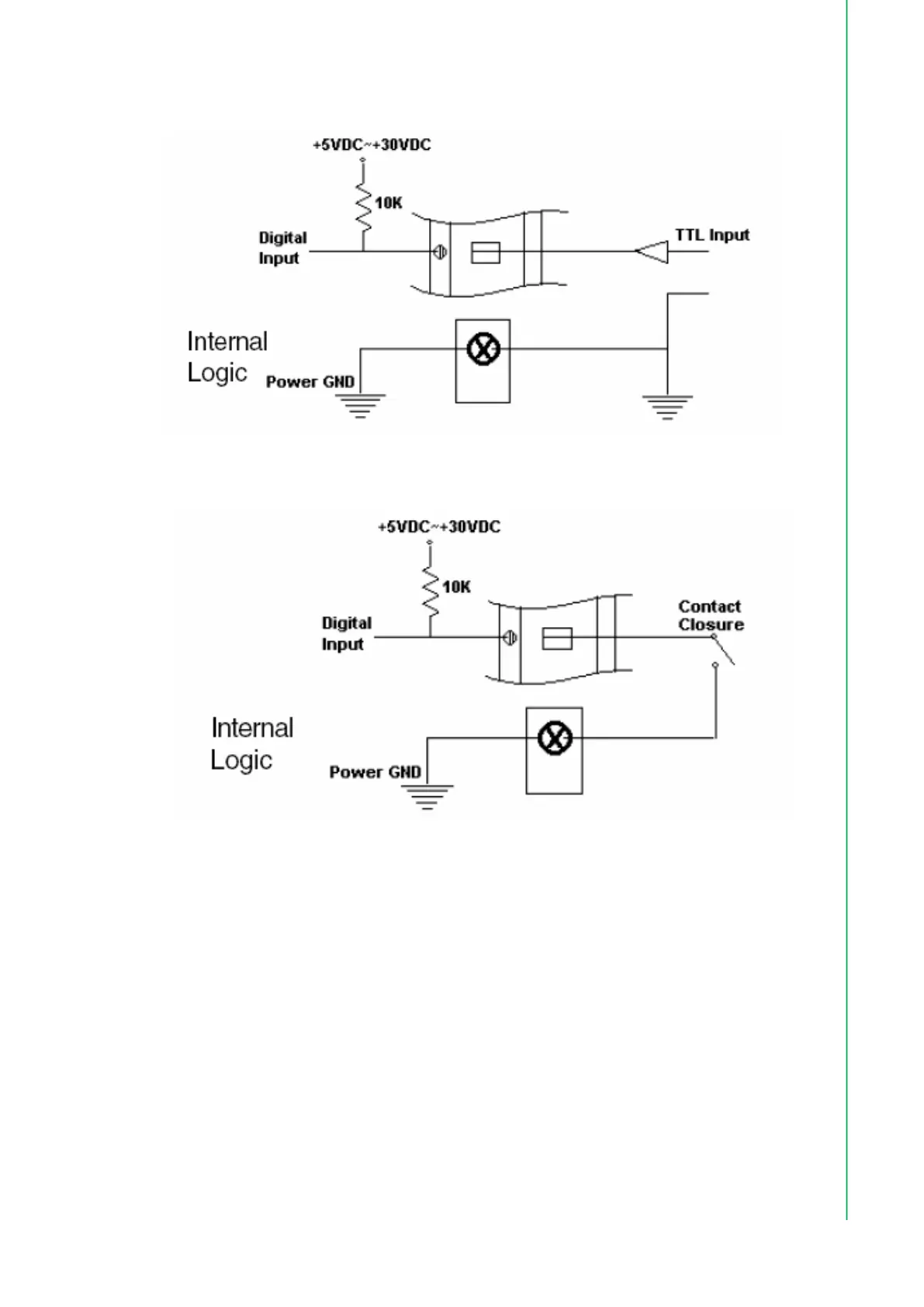
Chapter 4 Digital Input/Output Modules
Application Wiring
Figure 4.7 TTL Input (ADAM-5051/5051D)
Figure 4.8 Contact Closure Input (ADAM-5051/5051D)

Bekijk gratis de handleiding van Advantech ADAM-5017P, stel vragen en lees de antwoorden op veelvoorkomende problemen, of gebruik onze assistent om sneller informatie in de handleiding te vinden of uitleg te krijgen over specifieke functies.

Productinformatie

MerkAdvantech
ModelADAM-5017P
CategorieNiet gecategoriseerd
TaalNederlands
Grootte11670 MB