Advance SC401 handleiding
Handleiding
Je bekijkt pagina 36 van 100

ESPAÑOL INSTRUCCIONES DE USO
10 SC401 - 9100002290
09/2017
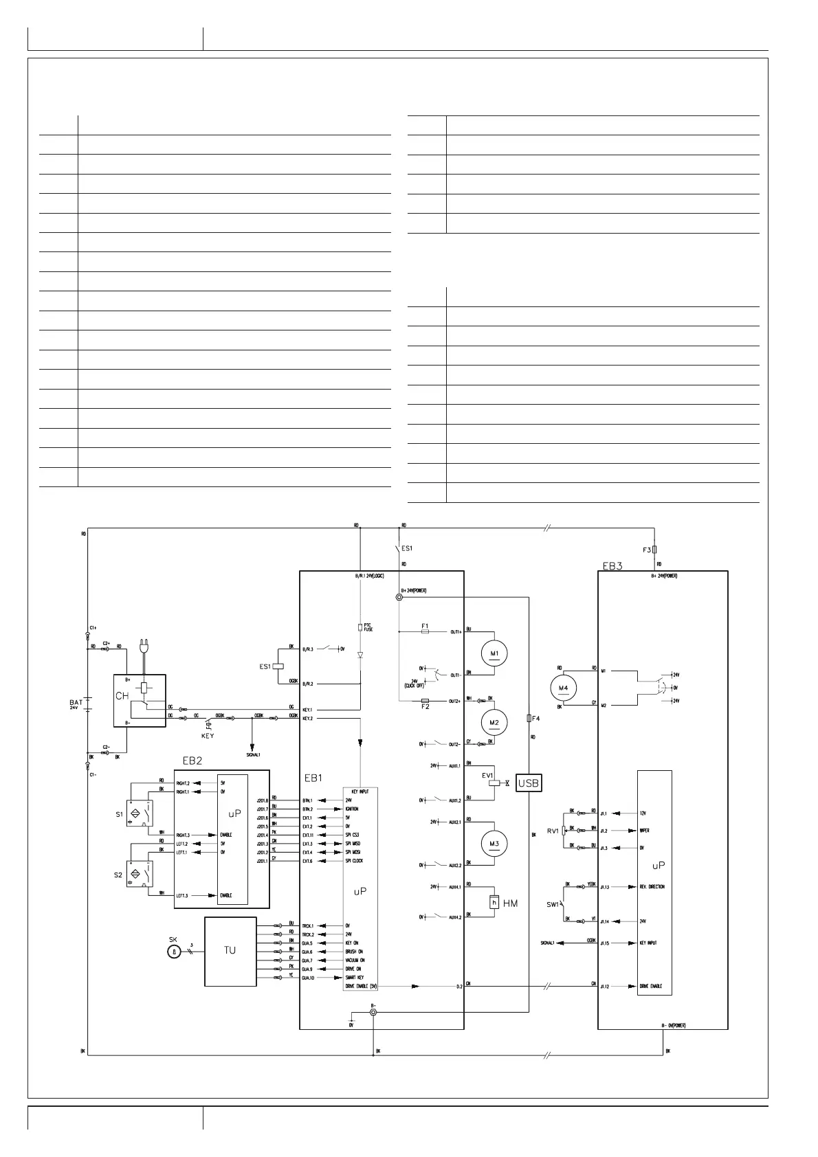
ESQUEMA ELÉCTRICO
Leyenda
BAT Baterías 24 V (*)
C1 Conector de las baterías
C2 Conector del cargador de baterías
CH Cargador de baterías
EB1 Tarjeta de funciones
EB2 Tarjeta interfaz usuario
EB3 Tarjeta tracción (drive)
ES1 Relé tarjeta funciones
EV1 Electroválvula
F1 Fusible del motor del cepillo
F2 Fusible del motor de aspiración
F3 Fusible del motor de tracción (drive)
F4 Fusible puerta USB (opcional)
HM Cuentahoras (opcional)
KEY Llave de encendido (*)
M1 Motor del cepillo
M2 Motor del sistema de aspiración
M3 Bomba del detergente (*)
M4 Motor de tracción (drive)
RV1 Potenciómetro velocidad (drive)
S1,S2 Sensor presencia operador
SK Smart key (opcional)
SW1 Interruptor de marcha atrás (drive)
TU Trackclean (opzionale)
USB Puerta USB (opcional)
(*) Opcional para versión BASIC
Códigos color
BK Negro
BU Azul
BN Marrón
GN Verde
GY Gris
OG Anaranjado
PK Rosado
RD Rojo
VT Morado
WH Blanco
YE Amarillo
P100947
9100002290(A)09-2017.indb 10 24/10/2017 14:24:16
Bekijk gratis de handleiding van Advance SC401, stel vragen en lees de antwoorden op veelvoorkomende problemen, of gebruik onze assistent om sneller informatie in de handleiding te vinden of uitleg te krijgen over specifieke functies.
Productinformatie
Merk | Advance |
Model | SC401 |
Categorie | Boenmachine |
Taal | Nederlands |
Grootte | 16610 MB |