Advance BU800 20BT handleiding

50 pagina's
PDF beschikbaar

Handleiding

Je bekijkt pagina 49 van 50
49
FORM NO. 56091111
BU800 20B, 20BT
9/2013
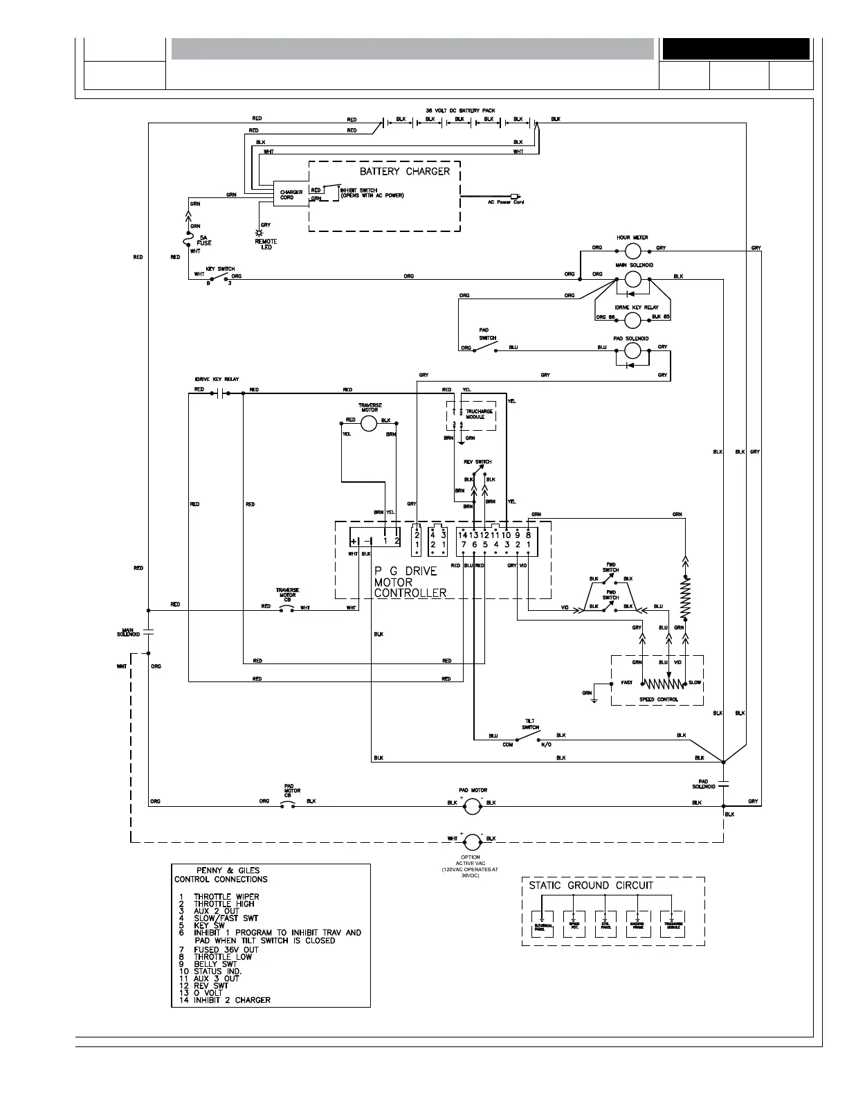
LADDER DIAGRAM - BU800 20BT

Bekijk gratis de handleiding van Advance BU800 20BT, stel vragen en lees de antwoorden op veelvoorkomende problemen, of gebruik onze assistent om sneller informatie in de handleiding te vinden of uitleg te krijgen over specifieke functies.

Productinformatie

MerkAdvance
ModelBU800 20BT
CategorieBoenmachine
TaalNederlands
Grootte7205 MB