Advance Advolution 20XP handleiding

28 pagina's
PDF beschikbaar

Handleiding

Je bekijkt pagina 27 van 28
07-05
FORM NO. - 71279A - ADVOLUTION 20, 20XP - 27
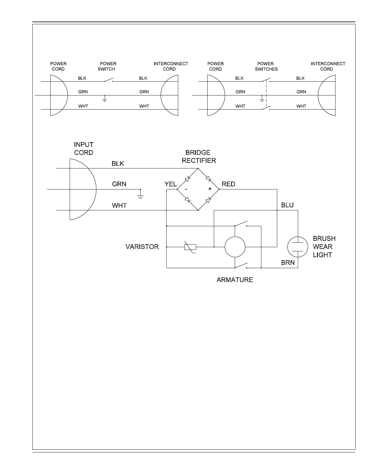
WIRING DIAGRAMS
revised 4/11
120V HANDLE 230V HANDLE
MOTOR

Bekijk gratis de handleiding van Advance Advolution 20XP, stel vragen en lees de antwoorden op veelvoorkomende problemen, of gebruik onze assistent om sneller informatie in de handleiding te vinden of uitleg te krijgen over specifieke functies.

Productinformatie

MerkAdvance
ModelAdvolution 20XP
CategorieBoenmachine
TaalNederlands
Grootte2767 MB