Handleiding
Je bekijkt pagina 21 van 38

11
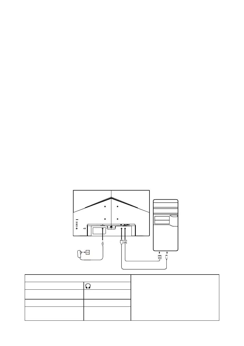
INSTALLATIE
Volg de stappen hieronder om uw monitor op uw host-system te installeren:
Stappen
1. Schakel uw computer uit en koppel de voedingskabel los.
2. 2-1 Videokabel aansluiten
a. Zorg dat de monitor en de computer zijn uitgeschakeld.
b. Sluit de VGA-kabel aan op de computer. (optioneel)
2-2 HDMI-kabel aansluiten (alleen HDMI-model) (optioneel)
a. Zorg dat de monitor en de computer zijn uitgeschakeld.
b. Sluit de HDMI-kabel aan op de computer.
2-3 DP-kabel aansluiten (alleen DP-ingangsmodel (optioneel)
a. Zorg dat de monitor en de computer zijn uitgeschakeld.
b. Sluit de DP-kabel aan op de computer.
3. Sluit de audiokabel aan (alleen modellen met audio-ingang) (optioneel)
4. Sluit de USB Type-C-kabel aan (alleen modellen met USB
Type-C-ingang (optioneel)
5. Sluit de voedingskabel van de monitor aan op de voedingspoort aan de
achterkant van de monitor.
6. Steek de voedingskabels van de computer en de monitor in een
stopcontact in de buurt.
7. Selecteer USB-lading wanneer uitgeschakeld AAN/UIT om de
USB-laadfunctie terwijl het apparaat is uitgeschakeld in/uit te schakelen.
(optioneel)
~
Opmerking: De locatie en namen
van de aansluitingen op de
monitor kunnen per monitormodel
verschillen en bepaalde
aansluitingen zijn voor sommige
modellen mogelijk onbeschikbaar.
HDMI (optioneel)
(optioneel)
VGA IN (optioneel) USB (optioneel)
AUDIO IN (optioneel) DP (optioneel)
AUDIO OUT
(optioneel)
USB T
ype-C
(optioneel)
HDMI
VGA
Bekijk gratis de handleiding van Acer KA270E, stel vragen en lees de antwoorden op veelvoorkomende problemen, of gebruik onze assistent om sneller informatie in de handleiding te vinden of uitleg te krijgen over specifieke functies.
Productinformatie
| Merk | Acer |
| Model | KA270E |
| Categorie | Monitor |
| Taal | Nederlands |
| Grootte | 2566 MB |







